企業博客
更多>>EPSON晶振的柱面式及SMD規格
來源:http://m.noorshamsdubai.com 作者:康比電子市場部 2016年05月31
晶振是智能產品中必不可少的頻率元器件,適用范圍非常廣泛,通常 用于:通訊產品、藍牙設備、安防產品、數碼科技、汽車電子、智能手表及其穿戴設備、智能機器人、無人機及其他高端智能產品領域.在產品中也起著至關重要的作用,隨著科技的發展日新月異,各種高端智能產品對晶體的要求越來越高.由于國內廠家技術受限,EPSON品牌成為了我國眾多企業的依賴.
愛普生晶振的常用料號,32.768KHZ系列:FC-12D、FC-12M、FC-13A、FC-135、MC-146、MC-156、MC-306、C-002RX、C-004R、C-005R、MC-30A;MHZ系列:FA2016AN、FA-128、FA-20H、FA-238、FA-238V、FA-20H、MA-306、MA-406、MA-505、MA-506、FA-128S.
EPSON晶振柱面式包裝規格:.
1、柱面式:
柱面式產品用乙烯袋包裝,每批包含250到1000件
然后,將1到20袋裝入內盒以組成一批.
最后,將內盒放入紙箱以便裝運.(質量隨型號的變化而變化).jpg)
2、耐焊接:熱將DIP產品放置抗靜電集成電路管內并裝到盒子里以便進行運送..jpg)
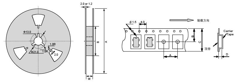
3、SMD式:將SMD 產品包裝在紙箱里以便裝運,如下表所述;符合磁帶標準EIA-481 和 IEC-60286..jpg)
愛普生科技根據市場需求研發了2012、2016系列超小超薄型晶體.得到了市場的青睞.康比電子是愛普生科技官方親自授權代理商,主要負責大陸市場的開拓更好的服務于國內企業,促進我國科技的發展.
愛普生晶振的常用料號,32.768KHZ系列:FC-12D、FC-12M、FC-13A、FC-135、MC-146、MC-156、MC-306、C-002RX、C-004R、C-005R、MC-30A;MHZ系列:FA2016AN、FA-128、FA-20H、FA-238、FA-238V、FA-20H、MA-306、MA-406、MA-505、MA-506、FA-128S.
EPSON晶振柱面式包裝規格:.
1、柱面式:
柱面式產品用乙烯袋包裝,每批包含250到1000件
然后,將1到20袋裝入內盒以組成一批.
最后,將內盒放入紙箱以便裝運.(質量隨型號的變化而變化)
.jpg)
2、耐焊接:熱將DIP產品放置抗靜電集成電路管內并裝到盒子里以便進行運送.
.jpg)
3、SMD式:將SMD 產品包裝在紙箱里以便裝運,如下表所述;符合磁帶標準EIA-481 和 IEC-60286.
.jpg)
愛普生科技根據市場需求研發了2012、2016系列超小超薄型晶體.得到了市場的青睞.康比電子是愛普生科技官方親自授權代理商,主要負責大陸市場的開拓更好的服務于國內企業,促進我國科技的發展.
正在載入評論數據...
相關資訊
- [2024-02-18]Greenray晶體振蕩器專為國防和航...
- [2024-01-20]HELE加高產品和技術及熱門應用
- [2024-01-20]HELE加高一個至關重要的組件晶體...
- [2023-12-28]Suntsu晶振最新的射頻濾波器突破...
- [2023-12-28]Qantek提供各種高可靠性微處理器...
- [2023-10-11]日本納卡石英晶體的低老化領先同...
- [2023-09-25]遙遙領先H.ELE開啟汽車創新
- [2023-09-23]瑞薩電子MCU和MPU產品領先同行




